


手機瀏覽
更方便
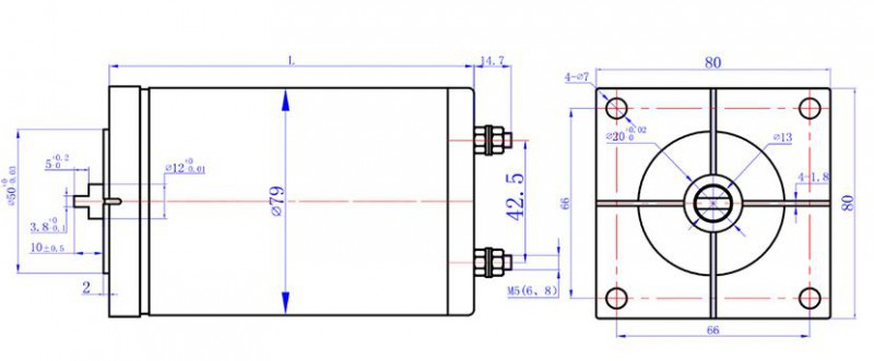
80ZYW直流永磁電動機,電壓由12V—48V,轉速1500—4500r/min,功率400W以下客戶可根據需要任選。該系列電機可廣泛用于卡車、機械等行業,在系統中作驅動元件或執行元件。
電動機的技術參數Motor Technical Data
|
電機型號 Type |
電壓 V |
轉矩 N.m |
電流 A |
轉速 r/min |
功率 W |
長度 cm |
|
80ZYW-125 |
12/24 |
0.58 |
15/13 |
3900 |
240 |
125 |
|
80ZYW-155 |
12/24 |
0.88 |
30/15 |
3900 |
350 |
155 |